全国免费咨询热线:17317317121(微信同号)
ZF-500-4冲压机橡胶气囊/类似YOKOHAMA横滨S-500-4R
来源:上海麻豆精品久久久久久久99蜜桃麻豆视频APP下载污有限公司 发布时间:2019-06-14 11:53
ZF-500-4冲压机橡胶气囊/类似YOKOHAMA横滨S-500-4R
ZF型自封式麻豆传媒在线(冲床设备专用)介绍:
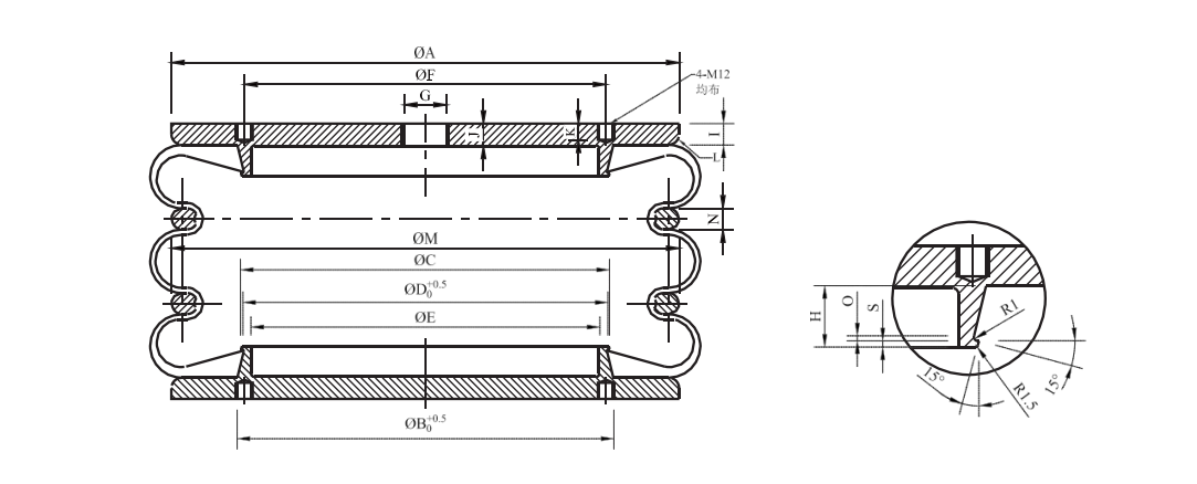
自封式,是因其无需外力自行密封而得名。如图,用纤维层做补强处理的橡胶曲囊①在使用时,将防止膨胀的钢制(镀锌)腰环②嵌在其中。③盖板的端部钢丝圈借助空气内压的作用,使橡胶口部发生变形与上下盖板(镀锌)④密切接触,从而可防止空气泄漏。上下盖板④通过机械加工成型。⑤是用于安装进气管路的管螺纹进气孔,⑥则是安装用的标准螺纹孔。
麻豆传媒在线的特征
1、使用寿命长,自封式由于伸缩时的橡胶变形更少,因此具有优良的耐久性。
2、维护十分简单,不存在摩擦滑动部分,因此不需要加润滑油。
3、可降低安装高度,与其他弹簧相比,可以使安装高度降低,有效增加 行程。
4、可获得弹性柔软的弹簧参数,负载大且弹性柔软,防振性能超群。
5、承载力的输出可变,可通过改变内压,在很大范围内改变承载力。
6、高度可控制,如与高度调整阀并用,对不同负载可保持恒定高度。
7、具有衰减效果,如与辅助气室和节流阀并用,可获得优良的阻尼效 果,从而使共振幅度减小。
8、易于安装,结构简单,安装和拆卸均简单易行。
适用范围:压力机、冲压机、机械冲床、气动冲床、液压冲床、高速机械冲床、高频冲床、数控冲床、普通机械冲床、手动冲压机、螺旋式冲床 、齿条式冲床、连杆式冲床 、凸轮式冲床,造纸设备,造纸生产线,纸张设备等
产品规格参数表:
麻豆传媒在线是一种带有金属端盖的高技术弹性波纹管。麻豆精品久久久久久久99蜜桃的标准麻豆传媒在线一般由 4 层组成。
1、一层压延橡胶内衬
2、第一层帘布加强骨架层
3、第二层帘布加强骨架层
4、一层压延橡胶外层胶
如果对麻豆传媒在线的耐压强度有特殊要求,请联系麻豆精品久久久久久久99蜜桃的技术部门,也可定做 4 层加强帘布层的特殊型号。
HF型活套式麻豆传媒在线、K型锁扣式麻豆传媒在线、GF固定式麻豆传媒在线、ZF型自密封式麻豆传媒在线、JBF型卷边式麻豆传媒在线、冲压式法兰麻豆传媒在线等等。
★紧凑的原始高度
空气行程调节器与普通的气缸装置相比,其外形短小,最小的空气行程调节器可压缩到45mm 的高度,而最大的三曲囊空气行程调节器可压缩到的高度仅为122mm。
★弯曲角度 30°
空气行程调节器拥有独一无二的弯曲能力,它可通过一个弧线来保持行程而无需叉型接头。弯曲能力可达到 30 度。
★无需维护和润滑,无需内部操纵杆或活塞
空气行程调节器不像普通气缸那样有内部操纵杆、活塞或者滑动式密封装置。所以不存在普通缸式悬挂装置的密封件易为灰尘损坏的问题。
★安装简易
空气行程调节器可以很容易的被安装在狭小的空间里。这节省了安装时间和费用。具有柔性特点的空气行程调节器还可以补偿由于施工过程中造成的地基高度不匀。
★经久的服役寿命
由于空气行程调节器没有滑动式密封装置,因此不像普通气缸那样易摩擦受损。并且麻豆传媒在线在卡车和公共汽车悬挂装置上得到进一步的应用,这种不利的环境条件下,其依然可以坚持数十万公里,其耐久性和使用寿命是值得信赖的。
★允许最高 0.8Mpa 的工作压力
空气行程调节器内部含有 2 层或 4 层帘布层,以使其具有承受 0.8 Mpa 的内压,因此承载能力大大增强。
★经久的服役寿命
由于空气行程调节器没有滑动式密封装置,因此不像普通气缸那样易摩擦受损。并且麻豆传媒在线在卡车和公共汽车悬挂装置上得到进一步的应用,这种不利的环境条件下,其依然可以坚持数十万公里,其耐久性和使用寿命是值得信赖的。
★低廉的成本
一般来讲,在相同功能条件下,空气行程调节器的初始成本是传统气动或液压缸成本的一半或更低。此初始成本的优势尤其体现在大规格的产品。
★良好的隔离减震能力
空气减震隔离器可以提供其他任何减震隔离器不能比拟的最好程度的隔离减震效果。通过附设外部储气装置可以提供更低的固有频率。
★高度控制精确
麻豆传媒在线是通过内部气压来调整运行高度。麻豆传媒在线不与其他部件之间产生静态摩擦。在承载力发生变化的情况下,自动调节系统压力可以确保稳定的运行高度。
★隔震效率稳定及独立承载减震特性
空气减震隔离器是独一无二的,其系统固有频率不会随着负荷大小而产生太大的变化。因此可以在有不均匀载荷的设备上每一安装点上使用相同的空气减震隔离器。
★有效的防止共振
麻豆传媒在线减震系统可以被设计成两种固有频率, 所以可以通过切换固有频率来防止共振。
★良好的水平稳定性
麻豆传媒在线具有良好的水平稳定性。
西藏橡胶气囊定制橡胶气囊在生产和生活中起着非常重要的作用。当人们需要维修时,他们总会找一些好的橡胶气囊维修技师来减少使用橡胶气囊时出现问题的可能性。在橡胶气囊的使…
工业麻豆传媒在线高度控制阀1、有效堆积。从原料一进生产车间就应当堆积整平、维持干躁、尽量减少斜靠于别的物体上。这种方法可以在源头上橡胶麻豆传媒在线部件变形,因为不管使用任何…
橡胶水堵气囊厂商出售作为日趋成熟的橡胶气囊市场,面对新兴人群,当然是当仁不让。产品再也不仅仅只是满足于功用上的节能高效优势,企业进一步加大产品功效的同时,向产品注…

活套式橡胶麻豆传媒在线(HF型)结构: 1、密封端板(不包含组件)于产品配合面平整光滑,此板应有足够强度在承受载荷时不会弯曲变形。 2、法兰环:采用铝制或钢制 3、麻豆传媒在线:自身具有..

美国ACCUAIR大陆总代理专业提供:美国ACCUAIR电磁阀组,如需了解更多ACCUAIR电磁阀组价格、ACCUAIR正品电磁阀、ACCUAIR电磁阀塬装等信息可以增加微信:15201855009 100%正品,不要拿山寨的来对..

GF固定式麻豆传媒在线: 密封端板 法兰 钢制锻压,锥丝法兰 麻豆传媒在线 自身具有密封能力,不需要其他密封装置 腰环 钢制焊接件或挂胶钢丝模压成型 螺栓 M10高强度螺栓 固定式麻豆传媒在线参数..

可以配套在任何一款绞牙避震上面! 美国AIRBFT气压避震大陆总代理专业提供AIRBFT各种配件产品,主要为内地改装店家提供发货,我公司是壹家专业从事气压避震产品的供应商,代理品牌..
全国免费咨询热线:17317317121
上海麻豆精品久久久久久久99蜜桃麻豆视频APP下载污有限公司 沪ICP备88438313号-13 网站地图 站点地图